Driver điều khiển động cơ bước DMA860H Leadshine
Giá: 1.160.000₫
Driver DMA860H Leadshine là driver động cơ bước rất phổ biến dùng cho máy CNC, máy tự động hóa, máy cắt plasma cnc...
Driver điều khiển động cơ bước DMA860H Leadshine chính hãng, chất lượng tốt, bảo hành 12 tháng





Driver DMA860H Leadshine có đặc điểm sau:
- Phù hợp với động cơ bước mặt bích 86 (động cơ bước 4Nm, 8Nm, 12Nm)
- Bảo hành 12 tháng
- Điện áp đầu vào 70VAC hoặc + 110VDC, cường độ dòng điện lên đến 7.2A
- Điều khiển động cơ bước DMA860H có công nghệ tự điều chỉnh, công nghệ điều khiển dòng điện Pure-sin, Tần số xung đầu vào lên đến 300 KHz, 16 độ phân giải lựa chọn trong số thập phân và nhị phân, lên đến 51.200 bước / vòng quay
- DMA860H thích hợp cho động cơ 2 pha và 4 pha, nó có hiệu suất tốc độ cao thích hợp dùng cho các thiết bị tự động hóa hoặc máy CNC công suất lớn như máy khắc, máy cắt, máy đóng gói, máy cnc plasma...
- Hỗ trợ chế độ PUL/ DIR và CW/ CCW
- Bảo vệ ngắn áp, quá áp, quá dòng và ngắn dòng
- Chế độ điều khiển: xung
- Kích thước: chiều dài x chiều rộng x chiều cao (mm): 151*97*53
- Trọng lượng: 0.57kg
- Nhiệt độ làm việc: 0-50°C
- Tiết kiệm chi phí, hiệu suất tốc độ cao
- Thích hợp sử dụng với động cơ loại 57, 60, 86 loại thường và loại có phanh
Hướng dẫn sử dụng chi tiết DMA860H: DMA860H User Manual

Điều khiển động cơ bước DMA860H Leadshine có chất lượng tốt, ít phải bảo hành sửa chữa
Quý khách lưu ý mua driver động cơ bước của các đơn vị cung cấp uy tín để không mua phải hàng giả kém chất lượng



Kích thước DMA860H (DMA860H dimension)

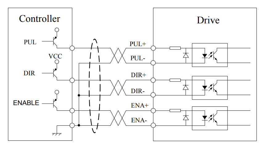
Sơ đồ đấu nối Driver DMA860H:
Kết nối với tín hiệu cực thu mở (cực dương chung)
Kết nối với tín hiệu PNP (cực âm chung)
Cài đặt vi bước DMA860H
Cài đặt vi bước được thiết lập trên công tắc SW5, 6, 7, 8

DMA860H manual:
Một số lỗi xảy ra với driver DMA860H và nguyên nhân:
1. Động cơ không quay
Nguyên nhân:
- Không có điện
- Cài đặt vi bước bị sai
- Cài đặt công tắc DIP bị sai
- Vẫn đang tồn tài một lỗi nào đó của máy cnc, máy tự động hóa
- Driver bị vô hiệu hóa
2. Động cơ quay sai hướng
Các pha động cơ có thể bị kết nối ngược
3. Driver báo lỗi
- Cài đặt công tắc DIP bị sai
- Đã xảy ra lỗi với cuộn dây động cơ
4. Chuyển động động cơ không bình thường
- Tín hiệu điều khiển quá yếu
- Tín hiệu điều khiển bị nhiễu
- Kết nối với động cơ bị sai
- Đã xảy ra lỗi với cuộn dây bên trong động cơ
- Cường độ dòng điện cài đặt quá nhỏ, mất bước
5. Động cơ dừng trong quá trình tăng tốc
- Cường độ dòng điện cài đặt quá nhỏ
- Động cơ nhỏ hơn động cơ tương ứng cho driver DMA860H
- Gia tốc cài đặt quá cao
- Nguồn điện cấp cho động cơ quá thấp
6. Trong quá trình sử dụng động cơ và driver quá nóng
- Do Tản nhiệt / làm mát không đủ
- Chức năng giảm dòng điện tự động không được sử dụng
- Dòng điện được đặt quá cao
Video giới thiệu driver điều khiển động cơ bước DMA860H Leadshine
Hướng dẫn đấu nối và sử dụng Driver DMA860H Leadshine
Giới thiệu Driver DMA860H
1. THANH TOÁN BẰNG HÌNH THỨC CHUYỂN KHOẢN
Qúy khách có thể chuyển khoản cho CNC24H.COM thông qua các Số Tài Khoản sau đây:
TK: Trần Thị Thanh Thủy 103868843078 - VIETINBANK - CN Hoàng Mai, Hà Nội
TK: Trần Thị Thanh Thủy 8871699666 – Ngân hàng BIDV - CN Thanh Xuân Hà Nội
Do tài khoản ngân hàng được sử dụng cho nhiều mục đích khác nhau nên chỉ khi nhận được đầy đủ các thông tin về người gửi, CNC24H.COM mới có thể thực hiện việc đóng gói và gửi hàng. Nếu quý khách không cung cấp đầy đủ thông tin, việc gửi hàng sẽ bị chậm do phát sinh quá trình xác minh người gửi.
Khi chuyển khoản quý khách hãy ghi thông tin theo cú pháp (Tên người gửi)–(Sản phẩm). Ví dụ: TÊN KHÁCH HÀNG-Mua con trượt
2. THANH TOÁN QUA CHUYỂN PHÁT VIETTEL
Quý khách đặt mua hàng, cung cấp cho CNC24H.COM các thông tin về người mua hàng, số điện thoại, địa chỉ nhận hàng CNC24H.COM sẽ gửi hàng cho quý khách thông qua Dịch vụ chuyển phát của Viettel. Sau khi nhận hàng, check chất lượng hàng đảm bảo, Quý khách sẽ gửi số tiền hàng phải trả cho CNC24H.COM thông qua người giao hàng của Chuyển phát Viettel.
3. THANH TOÁN TRỰC TIẾP BẰNG TIỀN MẶT
Quý khách có thể thanh toán trực tiếp bằng tiền mặt tại Văn phòng của CNC24H.COM:
Hà Nội: Số 38 TT6.2C Khu Đô Thị Đại Kim Nguyễn Xiển, Hoàng Mai, Hà Nội (đối diện trụ cầu 114 trên đường Vành Đai 3). Điện Thoại : 0945 215 266 - 0967 967 266
Hồ Chí Minh: 25A Đường 24, Phường Linh Đông, TP. Thủ Đức. Điện thoại 098 7979 266
Trân trọng cảm ơn!
- Quý khách đến nhà máy sản xuất MTA hoặc liên hệ trực tiếp với nhân viên bán máy để đặt hàng.
- MTA vận chuyển máy tới tận xưởng quý khách (bằng xe cẩu, xe tải, vận chuyển Bắc Nam,….). MTA sẽ thông báo bằng điện thoại , SMS, Email ,…tới quý khách ngày giờ nhận hàng
II. Quý khách hàng mua linh kiện:
- Quý khách đến địa chỉ công ty tại Số 38C-TT6.2 Khu Đô Thị Đại Kim Nguyễn Xiển, Hoàng Mai, Hà Nội (đối diện trụ cầu 114 trên đường Vành Đai 3) để mua hàng.
- Vận chuyển đến tận nhà quý khách (bằng xe tải, xe ba gác, xe ôm...).
- Vận chuyển ra bến tàu hỏa, bến xe khách để gửi về cho quý khách. CNC24H.COM sẽ gửi lại cho quý khách số điện thoại, tên nhà xe, biển số xe để quý khách chủ động nhận hàng.
- Chuyển phát qua bên chuyển phát Viettel (chuyển phát hỏa tốc, chuyển nhanh, chuyển thường, chuyển chậm). CNC24H.COM sẽ gửi quý khách mã vận đơn của Viettel, quý khách có thể chủ động kiểm tra lộ trình hàng qua trang web http://www.viettelpost.com.vn/ của Viettel.
CNC24H.COM chân thành Cảm ơn quý khách hàng đã luôn tin tưởng và hợp tác với CNC24H.COM!