Hộp số vuông góc cho động cơ servo 1KW
Liên hệ
Hộp số vuông góc cho động cơ servo 1KW
Hộp số vuông góc cho động cơ servo 1KW, hàng chính hãng, chất lượng tốt, độ chính xác cao.
- Hộp số vuông góc cho động cơ servo 1KW dùng thích hợp cho các loại động cơ servo Panasonic, Delta, Mitsubishi, Yaskawa, Fanuc, Omron và các động cơ servo khác. Đồng thời dùng thích hợp với các động cơ bước mặt bích 110, 130
- Hộp số vuông góc cho động cơ servo 1KW có các tỉ lệ truyền: 3:1 , 4:1 , 5:1 , 7:1 , 10:1 , 12:1 , 16:1 , 20:1 , 25:1 , 28:1 , 35:1 , 40:1 , 50:1 , 70:1 , 80:1 , 100:1 , 125: 1 , 140:1 , 175:1 , 200:1 , 250:1 , 350:1 , 400:1 , 512:1
- CNC24H.COM nhận đặt hộp số phù hợp với yêu cầu của khách hàng

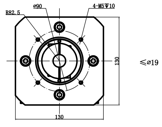
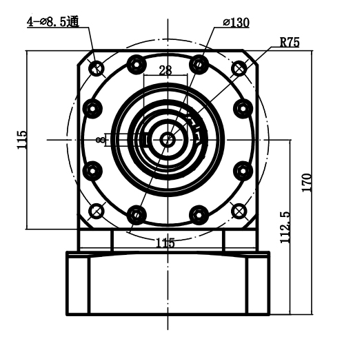
Hộp số vuông góc cho động cơ servo 1KW có bản vẽ kỹ thuật:
Bãn vẽ kỹ thuật của hộp số vuông góc cho động cơ servo 1KW có đầu vào 19mm, đầu ra 25mm



Bãn vẽ kỹ thuật của hộp số vuông góc cho động cơ servo 1KW có đầu vào 22mm, đầu ra 25mm



1. THANH TOÁN BẰNG HÌNH THỨC CHUYỂN KHOẢN
Qúy khách có thể chuyển khoản cho CNC24H.COM thông qua các Số Tài Khoản sau đây:
TK: Trần Thị Thanh Thủy 103868843078 - VIETINBANK - CN Hoàng Mai, Hà Nội
TK: Trần Thị Thanh Thủy 8871699666 – Ngân hàng BIDV - CN Thanh Xuân Hà Nội
Do tài khoản ngân hàng được sử dụng cho nhiều mục đích khác nhau nên chỉ khi nhận được đầy đủ các thông tin về người gửi, CNC24H.COM mới có thể thực hiện việc đóng gói và gửi hàng. Nếu quý khách không cung cấp đầy đủ thông tin, việc gửi hàng sẽ bị chậm do phát sinh quá trình xác minh người gửi.
Khi chuyển khoản quý khách hãy ghi thông tin theo cú pháp (Tên người gửi)–(Sản phẩm). Ví dụ: TÊN KHÁCH HÀNG-Mua con trượt
2. THANH TOÁN QUA CHUYỂN PHÁT VIETTEL
Quý khách đặt mua hàng, cung cấp cho CNC24H.COM các thông tin về người mua hàng, số điện thoại, địa chỉ nhận hàng CNC24H.COM sẽ gửi hàng cho quý khách thông qua Dịch vụ chuyển phát của Viettel. Sau khi nhận hàng, check chất lượng hàng đảm bảo, Quý khách sẽ gửi số tiền hàng phải trả cho CNC24H.COM thông qua người giao hàng của Chuyển phát Viettel.
3. THANH TOÁN TRỰC TIẾP BẰNG TIỀN MẶT
Quý khách có thể thanh toán trực tiếp bằng tiền mặt tại Văn phòng của CNC24H.COM:
Hà Nội: Số 38 TT6.2C Khu Đô Thị Đại Kim Nguyễn Xiển, Hoàng Mai, Hà Nội (đối diện trụ cầu 114 trên đường Vành Đai 3). Điện Thoại : 0945 215 266 - 0967 967 266
Hồ Chí Minh: 25A Đường 24, Phường Linh Đông, TP. Thủ Đức. Điện thoại 098 7979 266
Trân trọng cảm ơn!
- Quý khách đến nhà máy sản xuất MTA hoặc liên hệ trực tiếp với nhân viên bán máy để đặt hàng.
- MTA vận chuyển máy tới tận xưởng quý khách (bằng xe cẩu, xe tải, vận chuyển Bắc Nam,….). MTA sẽ thông báo bằng điện thoại , SMS, Email ,…tới quý khách ngày giờ nhận hàng
II. Quý khách hàng mua linh kiện:
- Quý khách đến địa chỉ công ty tại Số 38C-TT6.2 Khu Đô Thị Đại Kim Nguyễn Xiển, Hoàng Mai, Hà Nội (đối diện trụ cầu 114 trên đường Vành Đai 3) để mua hàng.
- Vận chuyển đến tận nhà quý khách (bằng xe tải, xe ba gác, xe ôm...).
- Vận chuyển ra bến tàu hỏa, bến xe khách để gửi về cho quý khách. CNC24H.COM sẽ gửi lại cho quý khách số điện thoại, tên nhà xe, biển số xe để quý khách chủ động nhận hàng.
- Chuyển phát qua bên chuyển phát Viettel (chuyển phát hỏa tốc, chuyển nhanh, chuyển thường, chuyển chậm). CNC24H.COM sẽ gửi quý khách mã vận đơn của Viettel, quý khách có thể chủ động kiểm tra lộ trình hàng qua trang web http://www.viettelpost.com.vn/ của Viettel.
CNC24H.COM chân thành Cảm ơn quý khách hàng đã luôn tin tưởng và hợp tác với CNC24H.COM!